電話:0577-66996885
傳真:0577-66995778
手機:13353386068
Q Q:2219968630
網址:m.qzsmhotel.cn
地址:浙江省永嘉縣甌北鎮三橋工業區
【316L不銹鋼化工離心泵IH型】泵的軸封型式:
填料密封:泵蓋內設有填料函,采用軟填料密封,填料函內可通入有一定壓力的水,供密封冷卻,潤滑、清洗用。 機械密封:單端面機械密封和雙端面機械密封兩種型式,密封腔內通入一定壓力的水,沖洗磨擦兩端面,同時起冷卻作用。泵的密封型式采用填料密封或機械密封,由用戶根據需要適用,同時根據需要允許采用適合于ISO3069規定的密封空腔尺寸和其他結構的軸封型式,如帶波紋管的機械密封和付葉輪密封等等。 IH型化工泵輸送介質溫度為-20℃~105℃,需要時采用雙端面密封冷卻裝置,可輸送介質溫度為20℃~+280℃。適用于化工、石油、冶金、電力、造紙、食品、制藥、環保、廢水處理和合成纖維等行業用于輸送各種腐蝕的或不允許污染的類似于水的介質。
【316L不銹鋼化工離心泵IH型】型號意義:
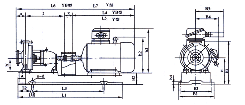
【316L不銹鋼化工離心泵IH型】外形尺寸圖:
|
產品型號 |
電機型號 功率 (Kw) |
外形及安裝尺寸 |
||||||||||||||||||
|
A |
L1 |
L2 |
L3 |
L4 |
a |
f |
X |
L5 |
B2 |
B3 |
B4/B5 |
h1 |
h2/h2’ |
h3 |
H |
H1 |
H2 |
n-d |
||
|
IH50-32-125 |
YB801-4/0.55 |
|
820 |
150 |
540 |
330 |
80 |
385 |
100 |
895 |
360 |
320 |
150/225 |
112 |
170/325 |
25 |
197 |
317 |
442 |
4-φ19 |
|
YB802-2/1.1 |
||||||||||||||||||||
|
YB90S-2/1.5 |
80 |
360 |
925 |
155/225 |
190/340 |
|
||||||||||||||
|
YB90L-2/2.2 |
920 |
170 |
600 |
385 |
950 |
390 |
350 |
30 |
447 |
|||||||||||
|
YB100L-2/3.0 |
430 |
995 |
180/225 |
245/370 |
467 |
|||||||||||||||
|
IH50-32-160 |
YB801-4/0.55 |
|
820 |
150 |
540 |
330 |
80 |
385 |
100 |
895 |
360 |
320 |
150/225 |
132 |
170/325 |
25 |
217 |
377 |
462 |
4-φ19 |
|
YB802-4/0.75 |
25 |
|||||||||||||||||||
|
YB90S-4/1.1 |
360 |
925 |
155/225 |
190/340 |
25 |
467 |
||||||||||||||
|
YB90L-2/2.2 |
80 |
920 |
170 |
600 |
385 |
950 |
390 |
350 |
30 |
|||||||||||
|
YB100L-2/3.0 |
430 |
995 |
180/225 |
245/370 |
30 |
482 |
||||||||||||||
|
YB112M-2/4.0 |
460 |
1025 |
190/225 |
265/385 |
30 |
490 |
||||||||||||||
|
YB132S1-215.5 |
1020 |
190 |
660 |
510 |
1070 |
450 |
400 |
210/240 |
315/430 |
60 |
510 |
4-φ24 |
||||||||
|
IH50-32-200 |
YB801-4/0.55 |
80 |
820 |
150 |
540 |
330 |
80 |
385 |
100 |
895 |
360 |
320 |
150/225 |
160 |
1701325 |
30 |
245 |
425 |
490 |
4-φ19 |
|
YB802-4/0.75 |
||||||||||||||||||||
|
YB90S-4/I.I |
360 |
925 |
155/225 |
190/340 |
25 |
495 |
||||||||||||||
|
YB90L-4/1.5 |
920 |
170 |
600 |
380 |
950 |
390 |
350 |
30 |
||||||||||||
|
YB112M-2/4.0 |
460 |
1025 |
1901225 |
265/385 |
30 |
518 |
||||||||||||||
|
YB132S1-215.5 |
1020 |
190 |
660 |
510 |
1075 |
450 |
400 |
210/240 |
3151430 |
30 |
260 |
440 |
543 |
4-φ24 |
||||||
|
YB132S2-2/7.5 |
30 |
|||||||||||||||||||
|
YB160M1-2/11 |
1140 |
210 |
740 |
655 |
1220 |
490 |
440 |
255/240 |
385/485 |
30 |
585 |
|||||||||
|
IH50-32-250 |
YB90S-4/1.1 |
95 |
1020 |
190 |
660 |
360 |
100 |
500 |
100 |
1060 |
450 |
400 |
155/255 |
180 |
1901340 |
30 |
265 |
490 |
515 |
4-φ24 |
|
YB90L-4/1.5 |
385 |
1085 |
||||||||||||||||||
|
YB100L1-4/2.2 |
430 |
1130 |
1801225 |
245/370 |
535 |
|||||||||||||||
|
YB100L2-4/3.0 |
||||||||||||||||||||
|
YB132S2-2/7.5 |
1140 |
210 |
740 |
510 |
1210 |
490 |
440 |
210/240 |
315/430 |
280 |
525 |
578 |
||||||||
|
YB160M1-2/11 |
12K |
225 |
840 |
655 |
1355 |
540 |
490 |
255/240 |
385/485 |
300 |
625 |
|||||||||
|
YB160M2-2/15 |
||||||||||||||||||||
|
YB160L-2/18.5 |
695 |
1395 |
||||||||||||||||||
|
YB180M1-2/22 |
730 |
1430 |
2851240 |
4301525 |
645 |
|||||||||||||||
|
產品型號 |
電機型號 功率(Kw) |
外形及安裝尺寸 |
||||||||||||||||||
|
A |
L1 |
L2 |
L3 |
L4 |
a |
f |
x |
L5 |
B2 |
B3 |
B4/B5 |
h1 |
h2/h2’ |
h3 |
H |
H1 |
H2 |
n-d |
||
|
IH65-50-125 |
YB801-4/0.55 |
80 |
820 |
150 |
540 |
330 |
80 |
385 |
100 |
895 |
360 |
320 |
150/225 |
112 |
170/325 |
25 |
197 |
337 |
442 |
4-φ19 |
|
YB802-4/0.75 |
||||||||||||||||||||
|
YB90L-2/2.2 |
920 |
170 |
600 |
385 |
950 |
390 |
350 |
155/225 |
190/340 |
30 |
447 |
|||||||||
|
YB100L-2/3.0 |
430 |
995 |
180/225 |
245/370 |
467 |
|||||||||||||||
|
YBI12M-2/4.0 |
460 |
1025 |
190/225 |
265/385 |
495 |
|||||||||||||||
|
YB132S1-2/5.5 |
020 |
190 |
660 |
510 |
1075 |
450 |
400 |
210/240 |
315/430 |
490 |
4-φ24 |
|||||||||
|
IH65-50-160 |
YB801-4/0.55 |
80 |
820 |
150 |
540 |
330 |
80 |
385 |
100 |
895 |
360 |
320 |
150/225 |
132 |
170/325 |
25 |
217 |
377 |
462 |
4-φ19 |
|
YB802-4/0.75 |
||||||||||||||||||||
|
YB90S-4/1.1 |
360 |
925 |
155/225 |
190/340 |
467 |
|||||||||||||||
|
YB90L-4/1.5 |
920 |
170 |
600 |
385 |
950 |
390 |
350 |
30 |
||||||||||||
|
YB100L-2/3.0 |
430 |
995 |
180/225 |
245/370 |
487 |
|||||||||||||||
|
YB112M-2/4.0 |
460 |
1025 |
190/225 |
265/385 |
490 |
|||||||||||||||
|
YB132S1-2/5.5 |
1020 |
190 |
660 |
510 |
1075 |
450 |
400 |
210/240 |
315/430 |
30 |
212 |
372 |
515 |
4-φ24 |
||||||
|
YB132S-2/7.5 |
||||||||||||||||||||
|
YB160M1-2/11 |
140 |
210 |
740 |
655 |
1220 |
490 |
440 |
255/240 |
385/485 |
557 |
||||||||||
|
IH65-40-200 |
YB802-4/0.75 |
80 |
920 |
170 |
600 |
330 |
100 |
385 |
100 |
915 |
390 |
350 |
150/225 |
160 |
170/325 |
30 |
245 |
425 |
490 |
4-φ19 |
|
YB90S-4/1.1 |
360 |
945 |
155/225 |
190/340 |
495 |
|||||||||||||||
|
YB90L-4/1.5 |
385 |
970 |
||||||||||||||||||
|
YB100L1-4/2.2 |
430 |
1015 |
180/225 |
245/370 |
515 |
|||||||||||||||
|
YB132S1-2/5.5 |
1020 |
190 |
660 |
510 |
1095 |
450 |
400 |
210/240 |
315/430 |
30 |
260 |
425 |
543 |
4-φ24 |
||||||
|
YB132S1-2/7.5 |
||||||||||||||||||||
|
YB160M1-2/11 |
1140 |
210 |
740 |
655 |
1240 |
490 |
440 |
255/240 |
|
385/485 |
440 |
585 |
||||||||
|
YB160Mr2/15 |
||||||||||||||||||||
|
IH65-40-250 |
YB90S-4/1.1 |
|
1020 |
190 |
660 |
360 |
100 |
500 |
100 |
1060 |
450 |
400 |
155/225 |
|
190/340 |
|
265 |
490 |
515 |
4-φ24 |
|
YB90L-4/I.5 |
385 |
1080 |
||||||||||||||||||
|
YB100L1-4/2.2 |
|
1130 |
180/225 |
245/370 |
535 |
|||||||||||||||
|
YB100L1-4/3.0 |
430 |
|||||||||||||||||||
|
YB112M-4/4.0 |
460 |
1160 |
190/225 |
265/385 |
30 |
538 |
||||||||||||||
|
YB160M1-2/11 |
95 |
1270 |
225 |
840 |
655 |
1355 |
540 |
490 |
255/240 |
180 |
385/485 |
300 |
525 |
625 |
||||||
|
YB160M-2/15 |
||||||||||||||||||||
|
YB160L-2/18.5 |
695 |
1395 |
||||||||||||||||||
|
YB180M-2/22 |
730 |
1420 |
285/240 |
430/525 |
645 |
|||||||||||||||
|
YB200L1-2/30 |
1420 |
250 |
940 |
803 |
1503 |
610 |
550 |
310/290 |
475/590 |
40 |
320 |
545 |
710 |
4-φ28 |
||||||
|
IH65-40-315 |
YB100L-4/3.0 |
95 |
1140 |
210 |
740 |
430 |
125 |
500 |
100 |
1155 |
490 |
440 |
180/225 |
|
245/370 |
30 |
300 |
550 |
570 |
4-φ24 |
|
YB112M-4/4.0 |
460 |
1185 |
190/225 |
265/385 |
573 |
|||||||||||||||
|
YB132S-4/5.5 |
510 |
1235 |
210/240 |
315/430 |
598 |
|||||||||||||||
|
YB132M-4/7.5 |
550 |
1275 |
||||||||||||||||||
|
YB160M-4/11 |
1270 |
225 |
840 |
655 |
1380 |
540 |
490 |
255/240 |
385/485 |
320 |
570 |
645 |
||||||||
|
YB160M-2/15 |
200 |
|||||||||||||||||||
|
YB160L-2/18.5 |
695 |
1420 |
||||||||||||||||||
|
YB180M-2/22 |
730 |
1455 |
285/240 |
430/525 |
665 |
|||||||||||||||
|
YB200L1-2/30 |
1420 |
250 |
940 |
803 |
1528 |
610 |
550 |
310/290 |
475/590 |
40 |
340 |
590 |
730 |
4-φ28 |
||||||
|
YB200L-2/37 |
||||||||||||||||||||
|
YB225M-2/45 |
840 |
1565 |
345/290 |
530/61 |
||||||||||||||||
|
產品型號 |
電機型號 功率 (Kw) |
外形及安裝尺寸 |
||||||||||||||||||
|
A |
L1 |
L2 |
L3 |
L4 |
a |
f |
X |
L5 |
B2 |
B3 |
B4/B5 |
h1 |
H2/h2’ |
h3 |
H |
H1 |
H2 |
n-d |
||
|
IH80-65-125 |
YB801-4/0.55 |
80 |
820 |
150 |
540 |
330 |
100 |
385 |
100 |
915 |
360 |
320 |
150/225 |
|
170/325 |
25 |
217 |
377 |
462 |
4-φ19 |
|
YB802-4/0.75 |
||||||||||||||||||||
|
YB90S-4/1.1 |
360 |
945 |
155/225 |
190/340 |
467 |
|||||||||||||||
|
YB90L-4/1.5 |
920 |
170 |
600 |
380 |
970 |
390 |
350 |
|||||||||||||
|
YB100L-2/3.0 |
430 |
1015 |
180/225 |
132 |
245/370 |
30 |
487 |
|||||||||||||
|
YB112M-2/4.0 |
460 |
1045 |
190/225 |
265/385 |
490 |
|||||||||||||||
|
YB132S1-2/5.5 |
1020 |
190 |
660 |
510 |
1095 |
450 |
400 |
210/240 |
315/430 |
515 |
4-φ24 |
|||||||||
|
YB132S2-2/7.5 |
||||||||||||||||||||
|
YB160M1-2/11 |
1140 |
210 |
740 |
655 |
1240 |
490 |
440 |
255/240 |
385/485 |
232 |
392 |
557 |
||||||||
|
IH80-65-160 |
YB802-4/0.75 |
|
920 |
170 |
600 |
330 |
100 |
385 |
100 |
915 |
390 |
350 |
150/225 |
|
170/325 |
25 |
245 |
425 |
490 |
4-φ19 |
|
YB90S-4/1.1 |
360 |
945 |
155/225 |
190/340 |
|
495 |
||||||||||||||
|
YB90L-4/1.5 |
385 |
970 |
||||||||||||||||||
|
YB100L1-4/2.2 |
430 |
1015 |
180/225 |
245/370 |
515 |
|||||||||||||||
|
1喝132S1-2/5.5 |
80 |
1020 |
190 |
660 |
510 |
1095 |
450 |
400 |
210/240 |
160 |
315/430 |
30 |
543 |
4-φ24 |
||||||
|
YB132S2-2/7.5 |
||||||||||||||||||||
|
YB160MI-2/II |
1140 |
210 |
740 |
655 |
1240 |
490 |
440 |
255/240 |
385/485 |
260 |
440 |
585 |
||||||||
|
YB160M2-2/15 |
||||||||||||||||||||
|
IH80-50-200 |
YB90S-4/1.1 |
80 |
920 |
170 |
600 |
360 |
100 |
385 |
100 |
945 |
390 |
350 |
155/225 |
|
190/340 |
|
245 |
445 |
495 |
4-φ18.5 |
|
YB90L-4/1.5 |
385 |
970 |
||||||||||||||||||
|
YB100L1-4/2.2 |
430 |
1015 |
180/225 |
245/370 |
515 |
|||||||||||||||
|
YB100L2-4/3.0 |
||||||||||||||||||||
|
YBI12M-4/4.0 |
460 |
1045 |
190/225 |
265/385 |
518 |
|||||||||||||||
|
YB132S2-2/7.5 |
1020 |
190 |
660 |
510 |
1095 |
450 |
400 |
210/240 |
160 |
315/430 |
30 |
543 |
4-φ24 |
|||||||
|
YB160MI-2/11 |
1140 |
210 |
740 |
655 |
1240 |
490 |
440 |
255/240 |
385/485 |
260 |
460 |
585 |
||||||||
|
YB160M2-2/15 |
1280 |
|||||||||||||||||||
|
YB160L-2/18.5 |
695 |
|||||||||||||||||||
|
YB180M-2/22 |
730 |
1315 |
285/240 |
430/525 |
260 |
460 |
605 |
|||||||||||||
|
IH80-50-250 |
YB100L1-4/2.2 |
95 |
1020 |
190 |
660 |
430 |
125 |
500 |
100 |
1155 |
450 |
400 |
180/225 |
|
245/370 |
|
265 |
490 |
535 |
4-φ24 |
|
YB100L2-4/3.0 |
||||||||||||||||||||
|
YB112M-4/4.0 |
460 |
1185 |
190/225 |
265/385 |
505 |
538 |
||||||||||||||
|
YB1325-415.5 |
1140 |
210 |
740 |
510 |
1235 |
490 |
440 |
210/240 |
315/430 |
30 |
280 |
578 |
||||||||
|
YB132M-4/7.5 |
550 |
1275 |
||||||||||||||||||
|
YB160M2-2/15 |
1270 |
225 |
840 |
655 |
1380 |
540 |
490 |
255/240 |
180 |
385/485 |
300 |
525 |
625 |
|||||||
|
YB160L-2/18.5 |
695 |
1420 |
||||||||||||||||||
|
YB180M-2/22 |
730 |
1455 |
285/240 |
430/525 |
645 |
|||||||||||||||
|
YB200L1-2/30 |
1420 |
250 |
940 |
803 |
1528 |
610 |
550 |
310/290 |
475/590 |
40 |
320 |
545 |
715 |
4-φ28 |
||||||
|
YB200L1-2/37 |
||||||||||||||||||||
|
YB225M-2/45 |
840 |
1565 |
345/290 |
530/615 |
730 |
|||||||||||||||
|
IH80-50-315 |
YB112M-4/4.0 |
|
1140 |
210 |
740 |
460 |
125 |
500 |
100 |
1135 |
490 |
440 |
190/225 |
|
265/385 |
30 |
325 |
605 |
598 |
4-φ24 |
|
YB132S-4/5.5 |
510 |
1235 |
210/240 |
315/430 |
623 |
|||||||||||||||
|
YB132M-4/7.5 |
550 |
1275 |
||||||||||||||||||
|
YB160M-4/11 |
1270 |
225 |
840 |
655 |
1380 |
540 |
490 |
255/240 |
385/485 |
40 |
345 |
625 |
670 |
|||||||
|
YB160L-4/15 |
695 |
1420 |
||||||||||||||||||
|
YB200L1-2/30 |
95 |
1420 |
250 |
940 |
803 |
1528 |
610 |
550 |
310/290 |
225 |
475/590 |
|
365 |
645 |
755 |
4-φ28 |
||||
|
YB200L2-2/37 |
||||||||||||||||||||
|
YB225M-2/45 |
840 |
1565 |
345/290 |
530/615 |
40 |
|||||||||||||||
|
YB250M-2/55 |
1620 |
290 |
1060 |
935 |
1660 |
660 |
600 |
385/330 |
575/740 |
385 |
665 |
875 |
||||||||
|
YB280S-2/75 |
1820 |
320 |
120c |
1010 |
1735 |
730 |
670 |
410/330 |
640/800 |
385 |
665 |
905 |
||||||||
|
產品型號 |
電機型號功率(Kw) |
外形及安裝尺寸 |
||||||||||||||||||
|
A |
L1 |
L2 |
L3 |
k |
a |
f |
X |
L5 |
B2 |
B3 |
B4/B5 |
h1 |
H2/h2’ |
h3 |
H |
H1 |
H2 |
n-d |
||
|
IH100-80-125 |
YB802-4/0.75 |
95 |
920 |
170 |
600 |
330 |
|
|
|
915 |
390 |
|
150/225 |
|
170/325 |
30 |
245 |
425 |
490 |
4-φ19 |
|
YB90S-4/1.1 |
360 |
945 |
155/225 |
190/340 |
495 |
|||||||||||||||
|
YB90L-4/1.5 |
385 |
970 |
350 |
|||||||||||||||||
|
YBI00L1-4/2.2 |
430 |
:015 |
180/225 |
245/370 |
515 |
|||||||||||||||
|
YB100L-4/3.0 |
||||||||||||||||||||
|
YBI12M-4/4.0 |
460 |
100 |
385 |
100 |
1045 |
190/225 |
160 |
265/385 |
518 |
|||||||||||
|
YB132S1-2/5.5 |
1020 |
190 |
660 |
510 |
1095 |
450 |
400 |
210/240 |
315/430 |
|
245 |
425 |
543 |
4-φ24 |
||||||
|
YB132S2-2/7.5 |
||||||||||||||||||||
|
YB160M1-2/11 |
1140 |
210 |
740 |
655 |
1240 |
490 |
440 |
255/240 |
385/485 |
30 |
260 |
440 |
585 |
|||||||
|
YB160M2-2/15 |
||||||||||||||||||||
|
IH100-80-160 |
YB90L-4/1.5 |
95 |
1020 |
190 |
660 |
385 |
100 |
500 |
100 |
1085 |
450 |
400 |
155/225 |
|
190/340 |
|
245 |
445 |
495 |
4-φ24 |
|
YB100L1-4/2.2 |
430 |
1130 |
1801225 |
245/370 |
515 |
|||||||||||||||
|
YB100L2-4/3.0 |
||||||||||||||||||||
|
YB112M-4/4j0 |
460 |
1160 |
1901225 |
3651385 |
518 |
|||||||||||||||
|
YB132S-2/7.5 |
1140 |
210 |
740 |
510 |
1210 |
490 |
440 |
210/240 |
315/430 |
30 |
260 |
460 |
558 |
|||||||
|
YB160M1-2/11 |
1270 |
225 |
840 |
655 |
1355 |
540 |
490 |
255/240 |
160 |
385/485 |
280 |
480 |
605 |
|||||||
|
YB160M2-2/15 |
||||||||||||||||||||
|
YB160L-2/18.5 |
695 |
1395 |
||||||||||||||||||
|
YB180M-2/22 |
730 |
1430 |
285/240 |
430/525 |
625 |
|||||||||||||||
|
YB200L1-2/30 |
142C |
250 |
940 |
803 |
1503 |
610 |
550 |
310/290 |
475/590 |
40 |
300 |
500 |
690 |
4-φ28 |
||||||
|
IH100-65-200 |
YB100L1-4/2.2 |
95 |
1140 |
210 |
740 |
430 |
100 |
500 |
140 |
1170 |
490 |
440 |
1801225 |
|
245/370 |
30 |
280 |
505 |
550 |
4-φ24 |
|
YB100L-4/3.0 |
||||||||||||||||||||
|
YB112M-4/4.0 |
460 |
1200 |
1901225 |
265/385 |
553 |
|||||||||||||||
|
YB132S-415.5 |
510 |
1250 |
210/240 |
315/430 |
578 |
|||||||||||||||
|
YB132M-4/7.5 |
550 |
1290 |
||||||||||||||||||
|
YB160M-2/15 |
1270 |
225 |
840 |
655 |
1395 |
540 |
490 |
255/240 |
160 |
385/485 |
525 |
625 |
||||||||
|
YB160L-2/18.5 |
695 |
1435 |
||||||||||||||||||
|
YB180M-2/22 |
730 |
1470 |
285/240 |
430/525 |
40 |
645 |
||||||||||||||
|
YB200L1-2/30 |
1420 |
250 |
940 |
803 |
1543 |
610 |
550 |
310/290 |
475/590 |
300 |
545 |
710 |
4-φ28 |
|||||||
|
YB200L2-2/37 |
||||||||||||||||||||
|
YB225M-2/45 |
340 |
158C |
3451290 |
530/615 |
320 |
545 |
710 |
|||||||||||||
|
IH100-65-250 |
YB100L2-4/3.0 |
110 |
1140 |
210 |
740 |
430 |
125 |
500 |
140 |
1195 |
490 |
440 |
1801225 |
|
2451370 |
30 |
300 |
550 |
570 |
4-φ24 |
|
YBI12M-4/4.0 |
460 |
1225 |
190/225 |
265/385 |
573 |
|||||||||||||||
|
YB13252-4/5.5 |
510 |
1275 |
210/240 |
315/430 |
598 |
|||||||||||||||
|
YB132M-4/7.5 |
550 |
1315 |
||||||||||||||||||
|
YB160M-4/11 |
127C |
225 |
840 |
665 |
1420 |
540 |
490 |
255/240 |
385/485 |
320 |
570 |
645 |
||||||||
|
YB160L1-4/15 |
695 |
1460 |
||||||||||||||||||
|
YB180M-2/22 |
730 |
1495 |
285/240 |
200 |
4301525 |
665 |
||||||||||||||
|
YB200L1-2/30 |
1420 |
250 |
940 |
803 |
1570 |
610 |
550 |
310/290 |
475/590 |
|
340 |
590 |
736 |
4-φ28 |
||||||
|
YB200L2-2/37 |
||||||||||||||||||||
|
YB225M-2/45 |
870 |
1635 |
345/290 |
530/615 |
40 |
340 |
590 |
750 |
||||||||||||
|
YB250M-2/55 |
1620 |
290 |
1060 |
935 |
170C |
660 |
600 |
385/290 |
575/740 |
360 |
610 |
850 |
||||||||
|
YB280S-2/75 |
1820 |
320 |
1200 |
101( |
1775 |
730 |
670 |
410/330 |
640/800 |
360 |
610 |
880 |
||||||||
|
產品型號 |
電機型號 功率(Kw) |
外形及安裝尺寸 |
||||||||||||||||||
|
A |
L1 |
L2 |
L3 |
k |
a |
f |
X |
L5 |
B2 |
B3 |
B4/B5 |
h1 |
h2/h2’ |
h3 |
H |
H1 |
H2 |
n-d |
||
|
IH100-65-315 |
YB132S-4/5.5 |
110 |
1270 |
225 |
840 |
510 |
125 |
530 |
140 |
1305 |
540 |
490 |
210/240 |
|
315/430 |
30 |
345 |
625 |
643 |
4-φ24 |
|
YB132M-4/7.5 |
550 |
1345 |
||||||||||||||||||
|
YB160M-4/11 |
655 |
1450 |
255/240 |
385/485 |
670 |
|||||||||||||||
|
YB160L-4/15 |
1420 |
250 |
940 |
695 |
1490 |
610 |
550 |
40 |
365 |
645 |
670 |
4-φ28 |
||||||||
|
YB180M-4/18.5 |
730 |
1525 |
285/240 |
430/525 |
710 |
|||||||||||||||
|
YB200L2-2/37 |
310/290 |
225 |
47S/590 |
755 |
||||||||||||||||
|
YB225M-2/45 |
1620 |
290 |
1060 |
870 |
1665 |
660 |
600 |
345/290 |
S30/615 |
755 |
||||||||||
|
YB250M-2/55 |
935 |
1730 |
38S/330 |
575/740 |
385 |
665 |
875 |
|||||||||||||
|
YB280S-2/75 |
1820 |
320 |
120C |
1010 |
1805 |
730 |
670 |
410/330 |
640/800 |
385 |
665 |
905 |
||||||||
|
YB280M-2/90 |
1060 |
1855 |
||||||||||||||||||
|
IH125-100-200 |
YB112M-4/4.0 |
110 |
1140 |
210 |
740 |
460 |
125 |
500 |
140 |
1225 |
490 |
440 |
190/225 |
200 |
265/385 |
30 |
300 |
580 |
573 |
4-φ24 |
|
YB132S-4/5.5 |
510 |
1275 |
210/240 |
315/430 |
598 |
|||||||||||||||
|
YB132M-4/7.5 |
550 |
1315 |
||||||||||||||||||
|
YB160M-4/11 |
1270 |
225 |
840 |
655 |
1420 |
540 |
490 |
250/240 |
385/485 |
320 |
600 |
645 |
||||||||
|
YB200L-2/30 |
1420 |
250 |
940 |
803 |
1568 |
610 |
550 |
310/290 |
475/590 |
40 |
340 |
620 |
730 |
4-φ28 |
||||||
|
YB200L2-2/37 |
||||||||||||||||||||
|
YB225M-2/45 |
840 |
1605 |
345/290 |
530/615 |
340 |
620 |
730 |
|||||||||||||
|
YB250M-2/55 |
1620 |
290 |
1060 |
935 |
1700 |
660 |
600 |
385/330 |
575/740 |
360 |
640 |
850 |
||||||||
|
YB280S-2/75 |
1820 |
320 |
1200 |
1010 |
1775 |
730 |
670 |
410/330 |
640/800 |
360 |
640 |
880 |
||||||||
|
IH125-100-250 |
YB132S-4/5.5 |
110 |
1270 |
225 |
840 |
510 |
140 |
530 |
140 |
1320 |
540 |
490 |
210/240 |
|
315/430 |
30 |
345 |
625 |
643 |
4-φ24 |
|
YB132M-4/7.5 |
550 |
1360 |
|
|||||||||||||||||
|
YB160M-4/11 |
655 |
1465 |
255/240 |
385/485 |
670 |
|
||||||||||||||
|
YB160L-4/15 |
1420 |
250 |
940 |
695 |
1505 |
610 |
550 |
40 |
365 |
645 |
690 |
4-φ28 |
||||||||
|
YB180M-4/18.5 |
730 |
1540 |
285/240 |
225 |
430/525 |
710 |
||||||||||||||
|
YB225M-2/45 |
1620 |
290 |
"060 |
840 |
1650 |
660 |
600 |
345/290 |
530/615 |
385 |
665 |
775 |
||||||||
|
YB250M-2/55 |
935 |
1745 |
385/330 |
575/740 |
385 |
665 |
875 |
|||||||||||||
|
YB280S-2/75 |
1820 |
320 |
1200 |
1010 |
1820 |
730 |
670 |
410/330 |
640/800 |
385 |
665 |
905 |
||||||||
|
YB280M-2/90 |
1060 |
1870 |
||||||||||||||||||
|
IH125-100-315 |
YB160M-4/11 |
110 |
1270 |
225 |
840 |
655 |
|
|
|
1465 |
540 |
490 |
255/240 |
|
385/485 |
|
370 |
685 |
695 |
4-φ24 |
|
YB160L-4/15 |
1420 |
250 |
940 |
695 |
1505 |
610 |
550 |
390 |
705 |
715 |
4-φ28 |
|||||||||
|
YB180M-4/18.5 |
730 |
1540 |
285/240 |
430/525 |
735 |
|||||||||||||||
|
YB180L-4/22 |
750 |
1560 |
||||||||||||||||||
|
YB200L-4/30 |
803 |
140 |
530 |
140 |
1613 |
310/290 |
250 |
475/590 |
40 |
780 |
||||||||||
|
YB225S-4/37 |
845 |
1655 |
345/290 |
530/615 |
||||||||||||||||
|
YB280S-2/75 |
1820 |
320 |
1200 |
1010 |
1820 |
730 |
670 |
410/330 |
640/800 |
410 |
725 |
930 |
||||||||
|
YB280M-2/90 |
1060 |
1870 |
||||||||||||||||||
|
IH125-100-400 |
YB160L-4/15 |
130 |
1620 |
290 |
1060 |
695 |
140 |
530 |
140 |
1505 |
660 |
600 |
225/240 |
|
385/485 |
40 |
440 |
795 |
765 |
4-φ28 |
|
YB180M-4/18.5 |
730 |
1540 |
285/240 |
430/S2S |
785 |
|||||||||||||||
|
YB180L-4/22 |
750 |
1560 |
||||||||||||||||||
|
YB200L-4/30 |
803 |
1613 |
310/290 |
280 |
47S/S90 |
836 |
||||||||||||||
|
YB225S-4/37 |
845 |
1655 |
345/290 |
530/615 |
850 |
|||||||||||||||
|
YB225M-4/45 |
870 |
168C |
||||||||||||||||||
|
YB250M-4/55 |
935 |
1745 |
385/330 |
575/740 |
93 |
|||||||||||||||
|
產品型號 |
電機型號 功率 (Kw) |
外形及安裝尺寸 |
||||||||||||||||||
|
A |
L1 |
L2 |
L3 |
L4 |
a |
f |
X |
L5 |
B2 |
B3 |
B4/B5 |
h1 |
h2/h27 |
h3 |
H |
H1 |
H2 |
n-d |
||
|
IH150-125-250 |
YB160M-4/11 |
110 |
270 |
225 |
840 |
655 |
140 |
530 |
140 |
1465 |
540 |
490 |
255/240 |
250 |
385/485 |
30 |
370 |
725 |
695 |
4-φ24 |
|
YB160L-4/15 |
1420 |
250 |
940 |
695 |
1505 |
610 |
550 |
40 |
390 |
745 |
715 |
4-φ28 |
||||||||
|
YB180M-4/18.5 |
730 |
1540 |
285/240 |
430/525 |
735 |
|||||||||||||||
|
YB180L-4/22 |
750 |
1560 |
||||||||||||||||||
|
YB220L-4/30 |
803 |
1613 |
310/290 |
475/590 |
780 |
|||||||||||||||
|
YB225S-4/37 |
845 |
1655 |
345/290 |
530/615 |
||||||||||||||||
|
IH150-125-315 |
YB180M-4/18.5 |
130 |
1620 |
290 |
1060 |
730 |
140 |
530 |
140 |
1540 |
660 |
600 |
285/240 |
280 |
430/525 |
40 |
440 |
775 |
785 |
4-φ28 |
|
YB180L-4/22 |
750 |
1560 |
||||||||||||||||||
|
YB200L-4/30 |
803 |
1613 |
310/290 |
475/S90 |
830 |
|||||||||||||||
|
YB225S-4/37 |
840 |
1650 |
345/290 |
|||||||||||||||||
|
YB225M-4/45 |
870 |
1680 |
530/61S |
|||||||||||||||||
|
YB250M-4/55 |
935 |
1745 |
38S/330 |
STS/740 |
||||||||||||||||
|
IH150-125-400 |
YB200L-4/30 |
110 |
1620 |
290 |
1060 |
803 |
140 |
530 |
140 |
1613 |
|
|
310/290 |
315 |
475/S90 |
40 |
475 |
875 |
865 |
4-φ28 |
|
YB225S-4/37 |
845 |
1655 |
660 |
600 |
325/290 |
S30/61S |
||||||||||||||
|
YB225M-4/45 |
870 |
1680 |
||||||||||||||||||
|
YB250M-4/55 |
935 |
1745 |
385/330 |
575/740 |
965 |
|||||||||||||||
|
YB280S-4/75 |
1820 |
320 |
1200 |
1010 |
1820 |
730 |
670 |
410/330 |
640/800 |
995 |
||||||||||
|
YB280M-4/90 |
1060 |
1870 |
||||||||||||||||||
|
IH200-150-250 |
YB180L-4/22 |
130 |
1620 |
290 |
1060 |
750 |
160 |
530 |
180 |
1620 |
660 |
600 |
51.SSP.40 |
280 |
430/525 |
40 |
440 |
815 |
785 |
4-φ28 |
|
YB200L-4/30 |
803 |
1673 |
310/290 |
475/590 |
830 |
|||||||||||||||
|
YB225S-4/37 |
840 |
1710 |
S30/615 |
|||||||||||||||||
|
YB225M-4/45 |
870 |
1740 |
345/290 |
|||||||||||||||||
|
YB250M-4/55 |
935 |
1805 |
385/330 |
575/740 |
930 |
|||||||||||||||
|
YB280S-4/75 |
1820 |
320 |
1200 |
1010 |
1880 |
730 |
670 |
410/330 |
640/880 |
960 |
||||||||||
|
IH200-150-315 |
YB200L-4/30 |
130 |
1820 |
320 |
1200 |
803 |
160 |
670 |
180 |
1813 |
730 |
670 |
310/290 |
315 |
475/S90 |
|
475 |
875 |
865 |
4-φ28 |
|
YB225S-4/37 |
845 |
1855 |
34S/290 |
530/615 |
||||||||||||||||
|
YB225M-4/45 |
870 |
1880 |
||||||||||||||||||
|
YB250M-4/55 |
935 |
1945 |
385/330 |
575/740 |
40 |
965 |
||||||||||||||
|
YB280S-4/75 |
1010 |
2020 |
410/330 |
640/800 |
995 |
|||||||||||||||
|
YB280M-4/90 |
1060 |
2070 |
||||||||||||||||||
|
IH200-150-400 |
YB250M-4/55 |
130 |
1820 |
320 |
1200 |
935 |
160 |
670 |
180 |
1945 |
730 |
670 |
38S/330 |
|
575/740 |
40 |
475 |
925 |
965 |
4-φ28 |
|
YB280S-4/75 |
1010 |
2020 |
410/330 |
315 |
640/800 |
995 |
||||||||||||||
|
YB200M-4/90 |
1060 |
2070 |
||||||||||||||||||
【316L不銹鋼化工離心泵IH型】適用范圍:
IH型不銹鋼化工泵適用于化工、化纖、冶金、醫藥、造紙、石油、化工、食品、飲料、釀造等行業。亦可以用于農業排灌。IH型泵用來輸送化學類、腐蝕性液體。供輸送清水或物理及化學性質類似清水的其它液體之用,使用方便可靠。
【316L不銹鋼化工離心泵IH型】性能參數:
|
型號 |
轉速 |
流量(m3/h) |
流量(L/S) |
揚程 (m) |
效率 (%) |
軸功率 (Kw) |
配用功率 |
汽蝕余量(m) |
重量 (kg) |
||
|
介質密度 |
|||||||||||
|
1.0 |
1.35 |
1.85 |
|||||||||
|
IH50-32-125 |
2900 |
12.5 |
3.47 |
20 |
51 |
1.33 |
2.2 |
3.0 |
4.0 |
2.0 |
45 |
|
1450 |
6.3 |
1.74 |
5.0 |
45 |
0.19 |
0.55 |
0.55 |
0.55 |
2.0 |
45 |
|
|
IH50-32-160 |
2900 |
12.5 |
3.47 |
32 |
46 |
2.37 |
3.0 |
4.0 |
5.5 |
2.0 |
49 |
|
1450 |
6.3 |
1.74 |
8.0 |
40 |
0.34 |
0.55 |
0.75 |
1.1 |
2.0 |
49 |
|
|
IH50-32-200 |
2900 |
12.5 |
3.47 |
50 |
39 |
4.36 |
5.5 |
7.5 |
11 |
2.0 |
59 |
|
1450 |
6.3 |
1.74 |
12.5 |
33 |
0.65 |
1.1 |
1.1 |
1.5 |
2.0 |
59 |
|
|
IH50-32-250 |
2900 |
12.5 |
3.47 |
80 |
33 |
8.25 |
11 |
15 |
18.5 |
2.0 |
93 |
|
1450 |
6.3 |
1.74 |
20 |
27 |
1.27 |
2.2 |
2.2 |
3.0 |
2.0 |
93 |
|
|
IH65-50-125 |
2900 |
25 |
1.53 |
2.0 |
62 |
2.2 |
3.0 |
4.0 |
5.5 |
2.0 |
47 |
|
1450 |
12.5 |
6.94 |
5.0 |
55 |
0.31 |
0.55 |
0.55 |
0.75 |
2.0 |
47 |
|
|
IH65-50-160 |
2900 |
25 |
2.78 |
32 |
57 |
3.82 |
5.5 |
7.5 |
11 |
2.0 |
53 |
|
1450 |
12.5 |
6.94 |
8.0 |
51 |
0.53 |
0.75 |
1.1 |
1.5 |
2.0 |
53 |
|
|
IH65-40-200 |
2900 |
25 |
2.92 |
50 |
52 |
6.55 |
11 |
11 |
15 |
2.0 |
63 |
|
1450 |
12.5 |
6.94 |
12.5 |
46 |
0.93 |
1.5 |
2.2 |
2.2 |
2.0 |
63 |
|
|
IH65-40-250 |
2900 |
25 |
2.92 |
80 |
46 |
46 |
15 |
3.0 |
30 |
2.0 |
99 |
|
1450 |
12.5 |
6.94 |
20 |
39 |
39 |
2.2 |
37 |
4.0 |
2.0 |
99 |
|
|
IH65-40-315 |
2900 |
25 |
3.06 |
125 |
39 |
39 |
30 |
5.5 |
55 |
2.0 |
116 |
|
1450 |
12.5 |
6.94 |
32.0 |
33 |
33 |
5.5 |
5.5 |
7.5 |
2.0 |
116 |
|
|
IH80-65-125 |
2900 |
50 |
13.9 |
20 |
69 |
3.95 |
5.5 |
7.5 |
11 |
3.0 |
52 |
|
1450 |
25 |
6.94 |
5.0 |
64 |
0.53 |
0.75 |
1.1 |
1.5 |
2.5 |
52 |
|
|
IH80-65-160 |
2900 |
50 |
13.9 |
32 |
67 |
6.5 |
11 |
11 |
15 |
2.3 |
57 |
|
1450 |
25 |
6.94 |
8.0 |
62 |
0.88 |
1.5 |
1.5 |
2.2 |
2.3 |
57 |
|
|
IH80-50-200 |
2900 |
50 |
13.9 |
50 |
63 |
10.8 |
15 |
18.5 |
30 |
2.5 |
65 |
|
1450 |
25 |
6.94 |
12.5 |
54 |
0.83 |
1.1 |
1.5 |
2.2 |
2.0 |
65 |
|
|
IH80-50-250 |
2900 |
50 |
13.9 |
80 |
58 |
18.8 |
30 |
37 |
45 |
2.5 |
103 |
|
1450 |
25 |
6.94 |
20 |
52 |
2.62 |
4.0 |
5.5 |
7.5 |
2.0 |
103 |
|
|
IH80-50-315 |
2900 |
50 |
13.9 |
125 |
52 |
32.73 |
45 |
55 |
75 |
2.0 |
121 |
|
1450 |
25 |
6.94 |
32 |
48 |
4.54 |
7.5 |
7.5 |
11 |
2.0 |
121 |
|
|
IH100-80-125 |
2900 |
100 |
27.8 |
20 |
73 |
7.47 |
11 |
15 |
18.5 |
4.5 |
57 |
|
1450 |
50 |
13.9 |
5.0 |
68 |
1.0 |
1.5 |
2.2 |
3.0 |
3.5 |
57 |
|
|
IH100-80-160 |
2900 |
100 |
27.8 |
32 |
73 |
11.9 |
15 |
22 |
30 |
4.3 |
87 |
|
1450 |
50 |
13.9 |
8.0 |
69 |
1.58 |
2.2 |
3.0 |
4.0 |
3.4 |
87 |
|
|
IH100-65-200 |
2900 |
100 |
27.8 |
50 |
72 |
18.9 |
30 |
37 |
45 |
3.9 |
96 |
|
1450 |
50 |
13.9 |
12.5 |
68 |
2.5 |
3.0 |
4.0 |
5.5 |
2.5 |
96 |
|
|
IH100-65-250 |
2900 |
100 |
27.8 |
80 |
68 |
32.0 |
45 |
55 |
75 |
3.6 |
115 |
|
1450 |
50 |
13.9 |
20 |
63 |
4.3 |
5.5 |
7.5 |
11 |
2.5 |
115 |
|
|
IH100-65-315 |
2900 |
100 |
55.6 |
125 |
62 |
54.9 |
75 |
90 |
132 |
3.2 |
166 |
|
1450 |
50 |
27.8 |
32 |
58 |
7.5 |
11 |
15 |
18.5 |
2.0 |
166 |
|
|
IH125-100-200 |
2900 |
200 |
55.6 |
50 |
77 |
35.4 |
45 |
55 |
90 |
5.0 |
99 |
|
1450 |
100 |
27.8 |
12.5 |
73 |
4.66 |
7.5 |
11 |
15 |
2.9 |
99 |
|
|
IH125-100-250 |
2900 |
200 |
55.6 |
80 |
75 |
58.1 |
11 |
110 |
132 |
4.5 |
151 |
|
1450 |
100 |
27.8 |
20 |
72 |
7.56 |
132 |
15 |
18.5 |
2.3 |
151 |
|
|
IH125-100-315 |
2900 |
200 |
55.6 |
125 |
72 |
94.56 |
18.5 |
160 |
220 |
4.5 |
166 |
|
1450 |
100 |
27.8 |
32 |
65 |
13.41 |
18.5 |
22 |
30 |
2.8 |
166 |
|
|
IH125-100-400 |
1450 |
100 |
27.8 |
50 |
55 |
14.74 |
18.5 |
30 |
37 |
2.5 |
211 |
|
IH150-125-250 |
1450 |
200 |
55.6 |
20 |
77 |
14.1 |
30 |
30 |
37 |
2.5 |
165 |
|
IH150-125-315 |
1450 |
200 |
55.6 |
32 |
75 |
23.2 |
30 |
37 |
55 |
2.8 |
196 |
|
IH150-125-400 |
1450 |
200 |
55.6 |
50 |
70 |
38.9 |
55 |
75 |
90 |
2.8 |
238 |
|
IH200-150-250 |
1450 |
400 |
111.1 |
20 |
77 |
28.3 |
37 |
55 |
75 |
2.5 |
195 |
|
IH200-150-315 |
1450 |
400 |
111 |
32 |
79 |
44.1 |
55 |
75 |
110 |
4.0 |
269 |
|
IH200-150-400 |
1450 |
400 |
111 |
50 |
78 |
39.8 |
90 |
132 |
160 |
3.5 |
290 |
【316L不銹鋼化工離心泵IH型泵】產品特點:
IH型不銹鋼化工泵具有水利性能布局合理、可靠,體積小,質量輕,抗汽蝕性能好,電耗低,使用檢修方便,工作效率高等優點。IH型單級單吸離心泵為臥式結構,其結構設計基本能滿足所有管道安裝。
【316L不銹鋼化工離心泵IH型】泵的旋轉方向:
IH型不銹鋼化工泵通過加長聯軸器由電動機直接驅動,從電動機端看,按順時針方向旋轉。
【316L不銹鋼化工離心泵IH型】性能范圍:
流量Q:6.3~400m3/h 揚程H:5~132m
轉速n:2900、1450r/min 配帶功率:0.55~110KW
進口直徑:50~200mm 工作壓力:1.6Mpa
IH型化工泵有29個基本型,其中22個雙速(2900、1450r/min)經過A、B兩種型式的葉輪直徑切割變型后,達112個規格。
【316L不銹鋼化工離心泵IH型】使用條件:
IH型不銹鋼化工泵的工作設計壓力為1.6兆帕。介質溫度不高于80℃。需要時采用雙端面密封冷卻裝置,可輸送介質溫度為20℃~+280℃。
注:用戶可根據被輸送介質的腐蝕性程度對泵的過流部分主要零件選用不同材料。

